교수님 명절 잘 보내시고 계신지요.
연휴기간이지만 공부량이 많지않아 부득이 하게 질문을 드려 죄송합니다.
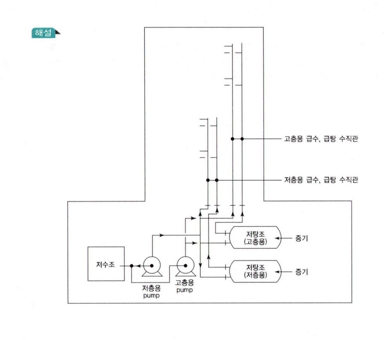
0. 문제 및 해설


1. 저수조에서 저층용 펌프로 화살표가 가야되는것 아닌가요?
반대로 표시된것 아닌가해서요.
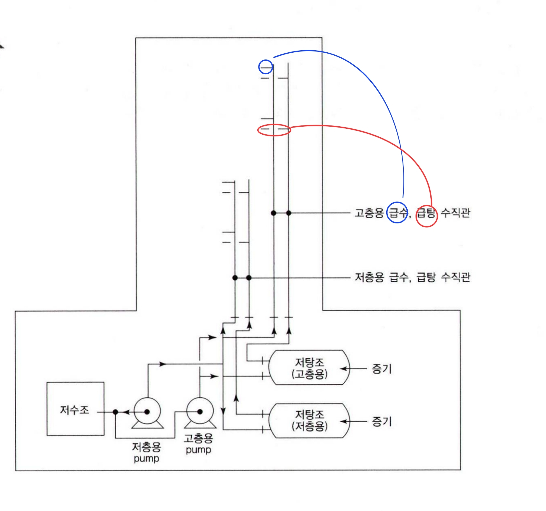
2. 아래 파란색으로 표시한 짧은배관이.급수, 빨간색으로 표시한 긴 배관이
급탕....
이런식으로 암묵적인 룰이 있나요?
아니면 서로 다른 배관 길이는 그냥 표시된건가요?

3. 아래는 제가 그려봤는데요. 이렇게 그려도 될까요?
실제 시험에서는 검정색만 사용가능한걸로 알지만 편의상 색으로 구별했습니다.

4. 아래처럼 이해해도 되나요?
